GROHE Rapid SL installatiesysteem voor een snelle installatie
Het Rapid SL installatiesysteem is aangevuld met een Skate Air verchroomde bedieningsplaat. Dankzij GROHE QuickFix®, ons systeem voor een gemakkelijke installatie, neemt de montage bovendien uiterst weinig tijd in beslag. De ToolFree-functie houdt in dat voor aansluiting van de slang en de controleschacht geen gereedschap nodig is. Voor absolute veiligheid beschikt het systeem over een stalen frame met een gecertificeerd draagvermogen van meer dan 400 kg. Een wandcloset, met voorwandinstallatie of geïnstalleerd in een houten wand, vereenvoudigt de schoonmaak van het toilet aanzienlijk. Het GROHE EcoJoy® dual flush systeem vermindert het waterverbruik met tot wel 50%, wat een gunstig effect heeft op het milieu én uw portemonnee. De GROHE Whisper® technologie minimaliseert de geluidsoverdracht naar de aanliggende kamers.
- De GROHE Whisper® technologie minimaliseert de geluidsoverdracht naar de aanliggende kamers
- Verminder het waterverbruik met tot wel 50% dankzij de GROHE EcoJoy® technologie en verlaagt zo ook uw energierekening
- Verkorte installatietijd door het GROHE QuickFix® systeem
- Rapid SL installatiesystemen verdragen een belasting tot 400 kg
- Voor de montage van een wateraansluiting, een flexibele leiding en controleopening is geen gereedschap nodig
- SpareFlush: vergroting van het spoelvolume voor effectief spoelen, ook via een oude buis
- Pneumatische kabel met een gemakkelijke aansluiting op de spoelknop en uitlaatventiel met het EasyConnect systeem
- Snelle en eenvoudige aansluiting op de waterdistributie-eenheden dankzij het VarioPort systeem
- Universele montageplaat is compatibel met alle spoelknoppen
- Eenvoudige installatie met een enkel uitlaatventiel voor alle soorten spoeling
- Simpel schoonmaken dankzij de verchroomde GROHE StarLight® afwerking
Installatieset bevat
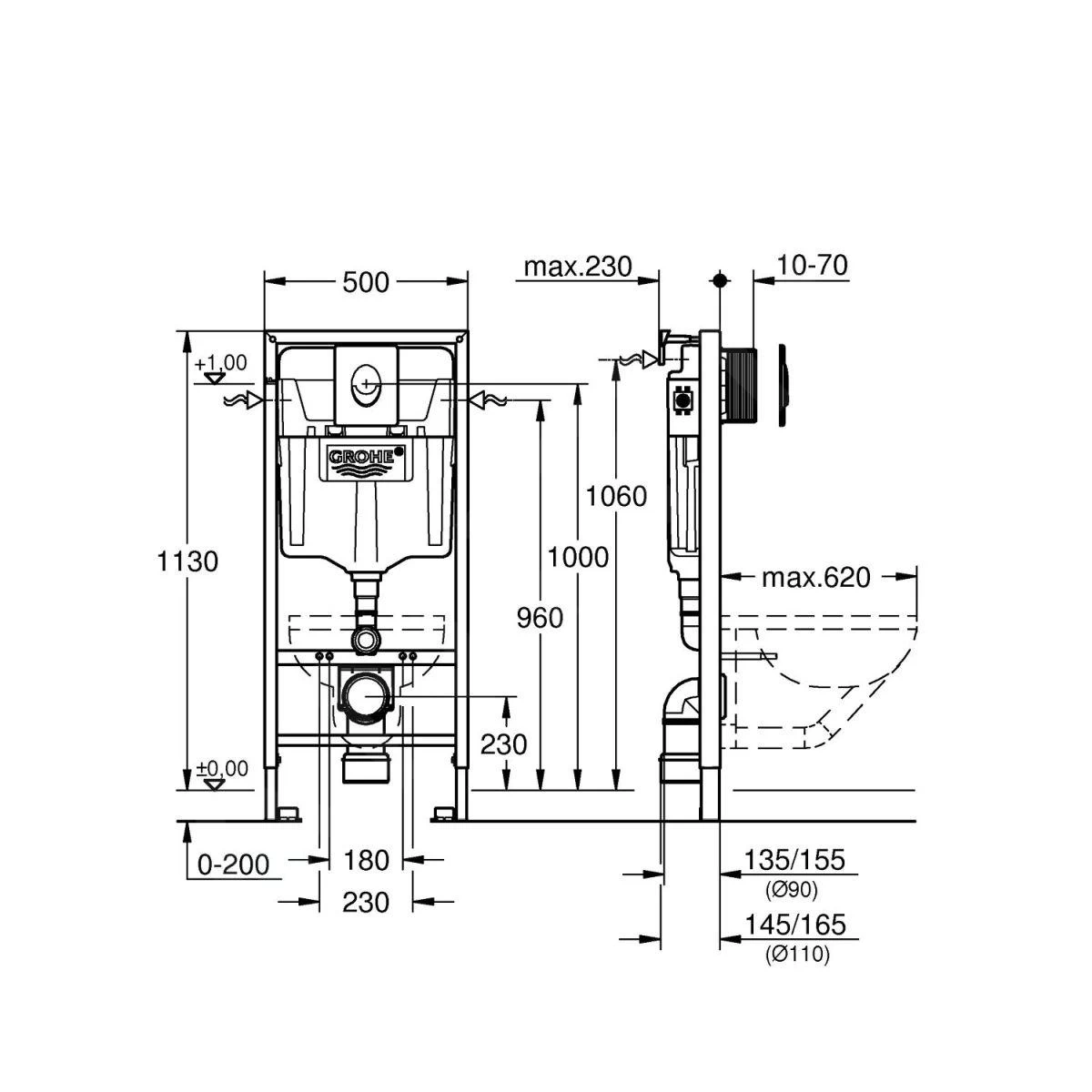
Voorwand installatie-module Rapid SL voor wandcloset
- spoelreservoir GD 2
- opbouwhoogte 1,13 m
- voor een montage aan de wand of in een lichte dwarsbalk
- stalen frame, poedergelakt, zelfdragend
- voor bekleding van gipskarton, compleet voorgemonteerd
- vaste objectaansluiting
- snelle afstelling, afsluitbaar
- bevestigingsmateriaal
- TÜV-gecertificeerd
- 2 beugels voor WC
- bevestiging van keramisch sanitair
- voor een keramisch toilet met een oppervlak van minder dan 205 mm is de aanvullende accessoire 38 779 000 vereist
- schroefafstand 180/230 mm
- afvoerbocht Ø 90 mm
- in de diepte instelbaar
- reductie Ø 90/110 mm
- aan- en afvoersysteem
- spoelreservoir GD 2, 6 – 9 l
- in de fabriek ingesteld op 6 l – 3 l
- pneumatisch afvoerventiel biedt 3 gebruiksmodi: dual flush spoeling of start/stop of ononderbroken (alleen start)
- watertoevoer van links/rechts of van achteren
- armatuurgroep I – geringe geluidsproductie
- geïsoleerd tegen condenswater
- wateraansluiting DN 15 met geïntegreerde hoekstopkraan en schroefverbinding, geen gereedschap nodig
- voor de installatie is geen gereedschap nodig
- controlespil inclusief bescherming
- tijdens de opbouwfase
- voor verticaal of horizontaal gebruik
Skate Air bedieningsplaat
- voor dual flush spoeling, en/of start/stop-functie
- voor pneumatisch afvoerventiel AV1
- verticale assemblage
- afmetingen: 156 x 197 mm
- vervaardigd van ABS
- verchroomde GROHE StarLight afwerking
- GROHE EcoJoy technologie voor een gering waterverbruik en een perfecte doorstroming
Rapid SL wandbevestiging
- voor voorwandmontage
- voor bevestiging van de elementen aan de muur of vóór een dunne wand
- geleidelijke instelling van de diepte 130 – 230 mm
- bevestigingspunt voor bekleding voor afzonderlijke of seriemontage
- bevestigingsmateriaal
- 2 stuks in verpakking
Dit product kan bij u zonder originele verpakking geleverd worden. De reden is bescherming van product tegen eventuele schade tijdens transport.

















Beoordelingen
Er zijn nog geen beoordelingen.